Suzuki
»
GSX-R600 (GSX-R600 (USA))
» STAND
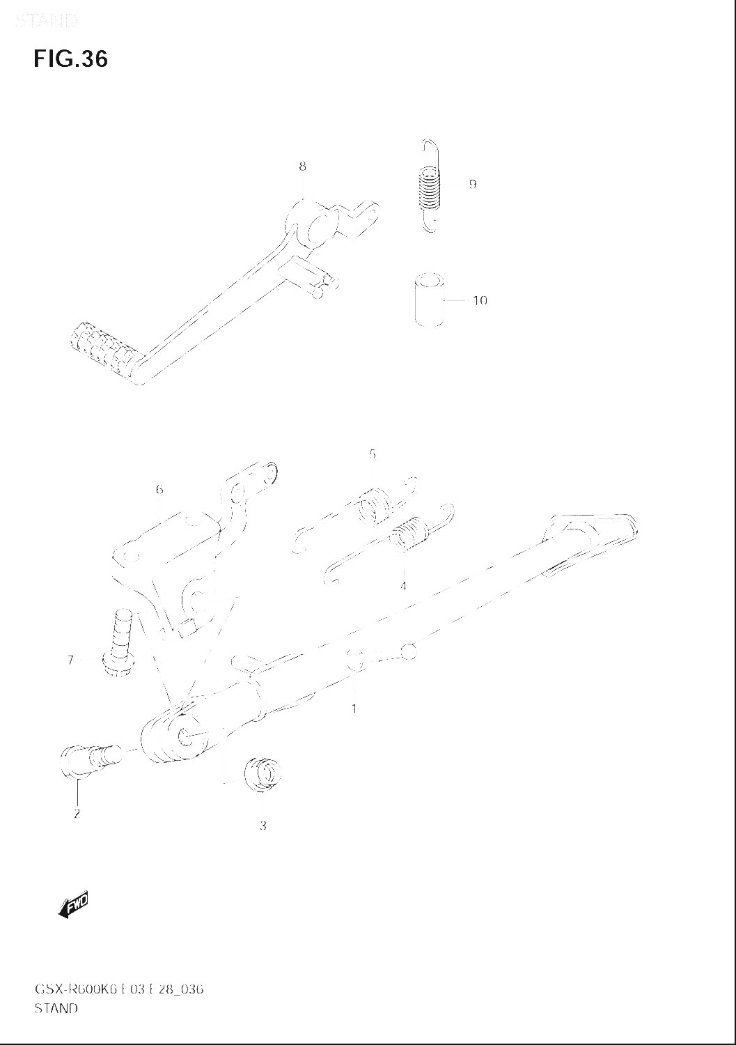
1
42310-40F30
STAND, PROP
2584:-
2
09111-10059-A05
Denna artikel ersätts av
09111-10059
3
09159-10103-A05
NUT
41:-
4
09443-14070-A05
Denna artikel ersätts av
09443-14070
5
09443-19016-A05
Denna artikel ersätts av
09443-1901
6
42330-01H00
BRACKET, PROP STAND
3937:-
7
09106-10064-A05
Denna artikel ersätts av
09106-10064
8
43110-41G00
PEDAL, BRAKE
1072:-
9
09443-11033-A05
Denna artikel ersätts av
09443-11033
10
09352-11153-600
HOSE (HOLDER TO 3 WAY)
179:-
Förstora bilden