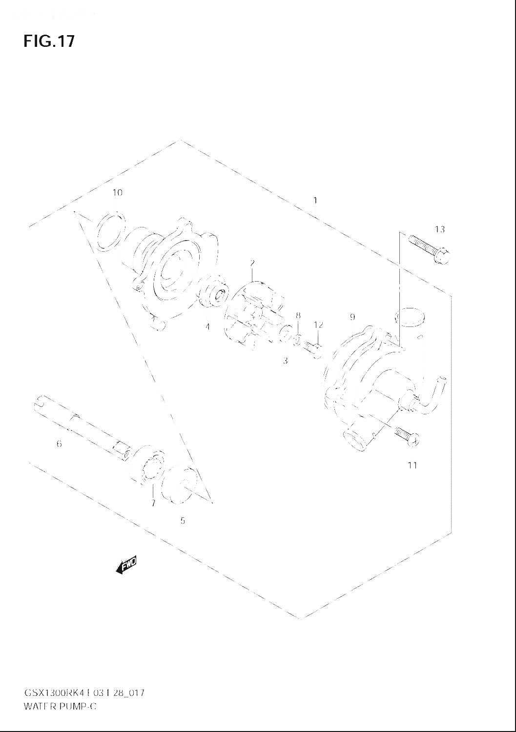
Suzuki » GSX1300 (GSX1300 R,Z (USA)) » WATER PUMP

1
17400-24F00
Denna artikel ersätts av 17400-24F10
2
17491-17E01
IMPELLER
380:-
3
09168-06025
GASKET
38:-
4
17470-02F00
Denna artikel ersätts av 17470-02F11
5
09283-10004
OIL SEAL, 10X21X5
64:-
6
17511-24F00
SHAFT
1617:-
7
09262-10014
BEARING (10X26X8)
265:-
8
09164-06006
LOCK WASHER
34:-
9
17418-33400
Denna artikel ersätts av 17418-33401
10
17435-33400
O RING
139:-
11
02112-0616A
SCREW, åtgår 2st
20:-
12
09100-06099
BOLT (6X13)
27:-
13
01547-06353
Denna artikel ersätts av 01547-0635B