Suzuki » GSX250 (GSX250 1982 (Z)) » FRAME

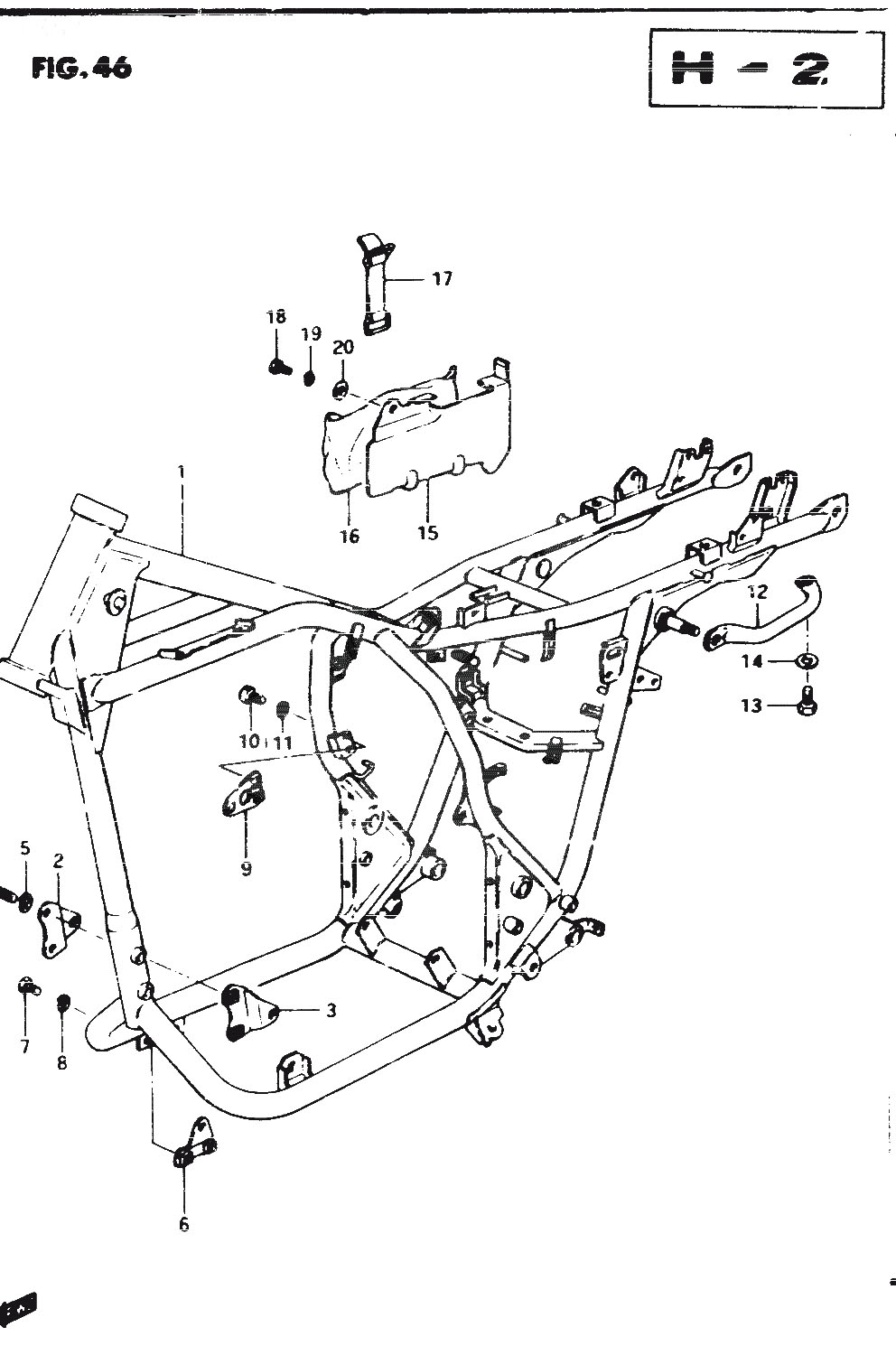
1
41100-11500-019
FRAME (BLACK)
*
1
41100-11540-019
FRAME (BLACK)
*
1
41100-11530-019
FRAME (BLACK)
*
1
41100-11520-019
FRAME (BLACK)
*
2
41991-11500-019
PLATE, NO.1, RH (BLACK)
*
3
41920-11500-019
PLATE, NO.1, LH (BLACK)
*
4
01107-08608
Denna artikel ersätts av 01500-0860B
5
08321-21088
Denna artikel ersätts av 08321-01087
6
41920-44110-019
PLATE, NO.2, RH (BLACK)
*
7
01107-08168
Denna artikel ersätts av 01500-08163
8
08321-21088
Denna artikel ersätts av 08321-01087
9
41970-11500-019
PLATE, NO.4, RH (BLACK)
*
10
01107-08168
Denna artikel ersätts av 01500-08163
11
08321-21088
Denna artikel ersätts av 08321-01087
12
41610-11500
GRIP, FRAME HANDLE
375:-
13
01107-08168
Denna artikel ersätts av 01500-08163
14
08322-11088
Denna artikel ersätts av 08322-01087
15
47430-44400
HOLDER, TOOL
*
16
09800-06800
Denna artikel ersätts av 09800-06801
17
09462-00072
BAND, TOOL
67:-
18
01107-06108
Denna artikel ersätts av 01500-06107
19
08321-21068
Denna artikel ersätts av 08321-01067
20
08322-21068
Denna artikel ersätts av 08322-0106A



* Kontakta kundtjänst för prisuppgift: 018-15 60 00