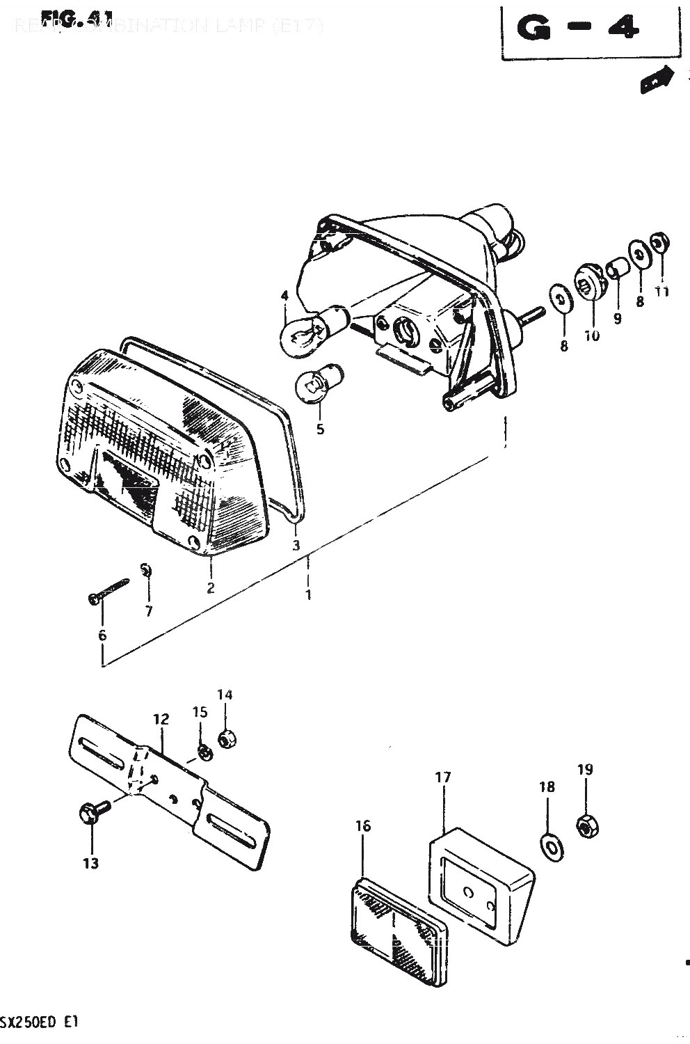
Suzuki » GSX250 (GSX250 1982 (Z)) » REAR COMBINATION LAMP (E17)

1
35710-11570
Denna artikel ersätts av 35710-11571
2
35712-11570
LENS
*
3
35713-11520
GASKET
130:-
4
09471-12046
BULB (12V,21/5W)
222:-
5
09471-12059
Denna artikel ersätts av 09471-12139
6
03211-04308
Denna artikel ersätts av 03211-04306
7
35627-43010
GASKET, åtgår 4st
28:-
8
09160-06060
Denna artikel ersätts av 09160-06077
9
09180-06006
SPACER, åtgår 2st
25:-
10
09320-09010
CUSHION, åtgår 2st
37:-
11
08316-26068
Denna artikel ersätts av 08316-20063
12
35927-33200
Denna artikel ersätts av 35927-17C00
13
01517-06168
Denna artikel ersätts av 01550-06163
14
08310-11068
Denna artikel ersätts av 08310-00067
15
08321-21068
Denna artikel ersätts av 08321-01067
16
35970-49330
REFLEX REFLECTOR, REAR
270:-
17
35977-11570
SPACER
*
18
09160-05013
WASHER (5.2X16X1)
19:-
19
08310-11058
Denna artikel ersätts av 08310-00057



* Kontakta kundtjänst för prisuppgift: 018-15 60 00