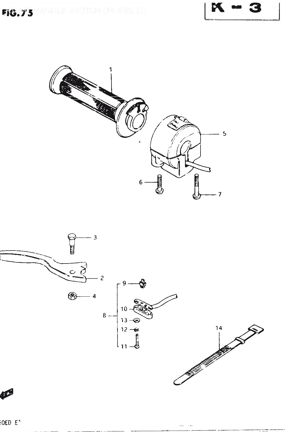
Suzuki » GSX250 (GSX250 1982 (Z)) » RIGHT HANDLE SWITCH (MODEL D)

1
57110-49510
GRIP, THROTTLE
*
2
57420-49101
LEVER, BRAKE
407:-
3
57431-18621
BOLT
143:-
4
08319-21068
Denna artikel ersätts av 08319-2106A
5
37200-34411
SWITCH ASSY, HANDLE RH
*
5
37200-34421
Denna artikel ersätts av 37200-45221
5
37200-34591
SWITCH ASSY, HANDLE LH
*
6
02112-05258
Denna artikel ersätts av 02112-05257
7
02112-05358
Denna artikel ersätts av 02112-05357
8
57460-49300
Denna artikel ersätts av 57460-45500
9
57465-18601
CONTACT
64:-
10
57481-33010
COVER
79:-
11
09125-03105
Denna artikel ersätts av 09125-03105-XC0
12
08321-21038
Denna artikel ersätts av 08321-21033
13
08322-21038
Denna artikel ersätts av 08322-01037
14
09407-12402
CLAMP (K,LM,A,B)
45:-



* Kontakta kundtjänst för prisuppgift: 018-15 60 00