Suzuki » GSX250 (GSX250 1982 (Z)) » STAND

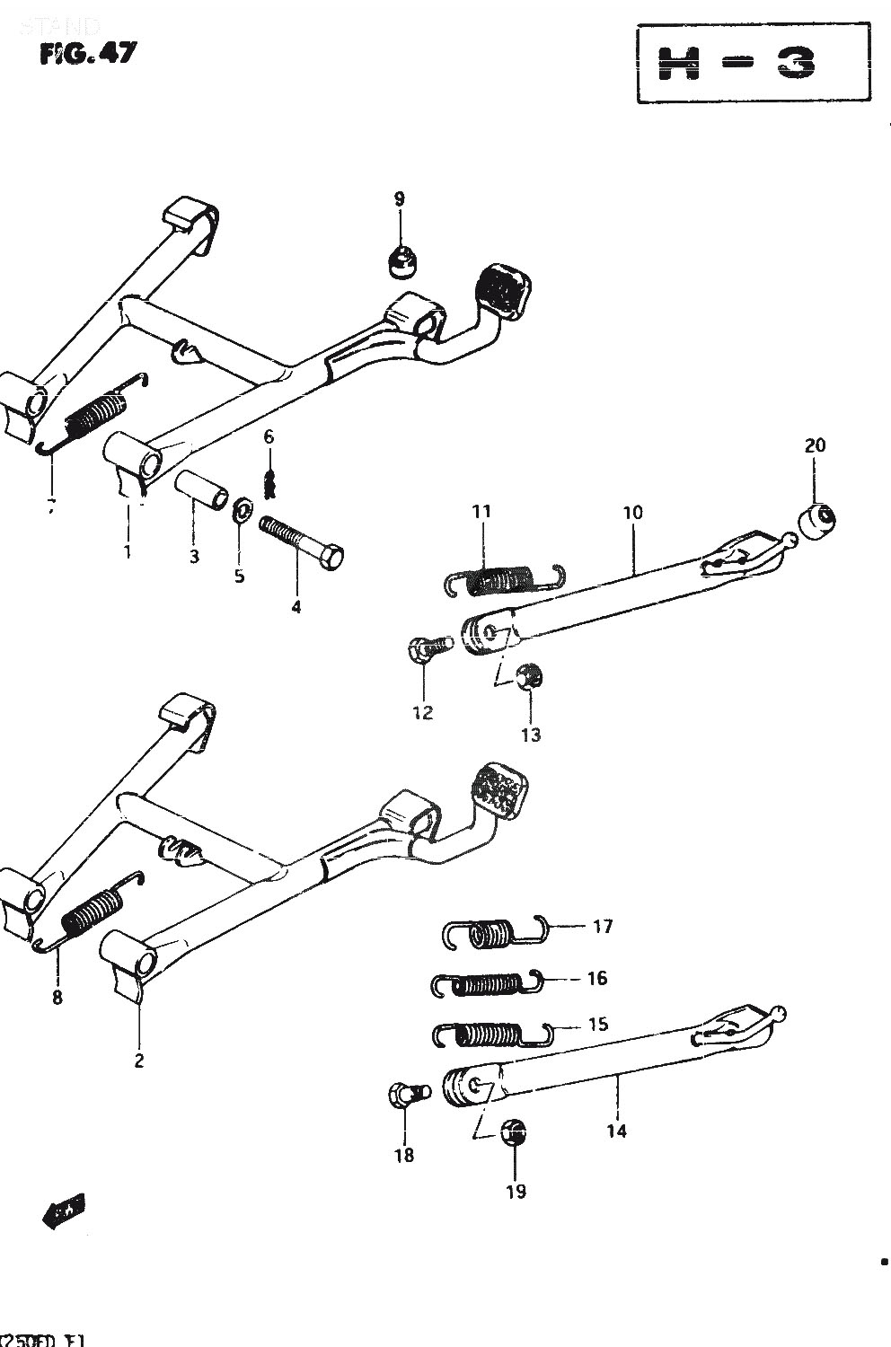
1
42100-44400
STAND, CENTER
*
2
42100-44410
STAND, CENTER
*
3
09180-10040
SPACER, åtgår 2st
43:-
4
09101-10018
Denna artikel ersätts av 09101-10030
5
08321-21108
Denna artikel ersätts av 08321-01107
6
09385-10001
Denna artikel ersätts av 09385-10005
7
09443-18003
SPRING
*
8
09443-18003
SPRING, åtgår 2st
*
9
09321-10001
CUSHION
34:-
10
42310-11400
STAND, PROP
*
11
09443-17005
Denna artikel ersätts av 09443-17008
12
09100-10067
BOLT
49:-
13
08310-22108
Denna artikel ersätts av 08310-00107
14
42310-11410
STAND, PROP
*
15
09443-17006
SPRING
60:-
16
09443-11008
SPRING, INNER
103:-
17
09443-19002
SPRING, OUTER
*
18
09111-10013
BOLT
*
18
09111-10019
Denna artikel ersätts av 09111-10047
19
08310-22108
Denna artikel ersätts av 08310-00107
20
09320-07001
CUSHION
53:-



* Kontakta kundtjänst för prisuppgift: 018-15 60 00