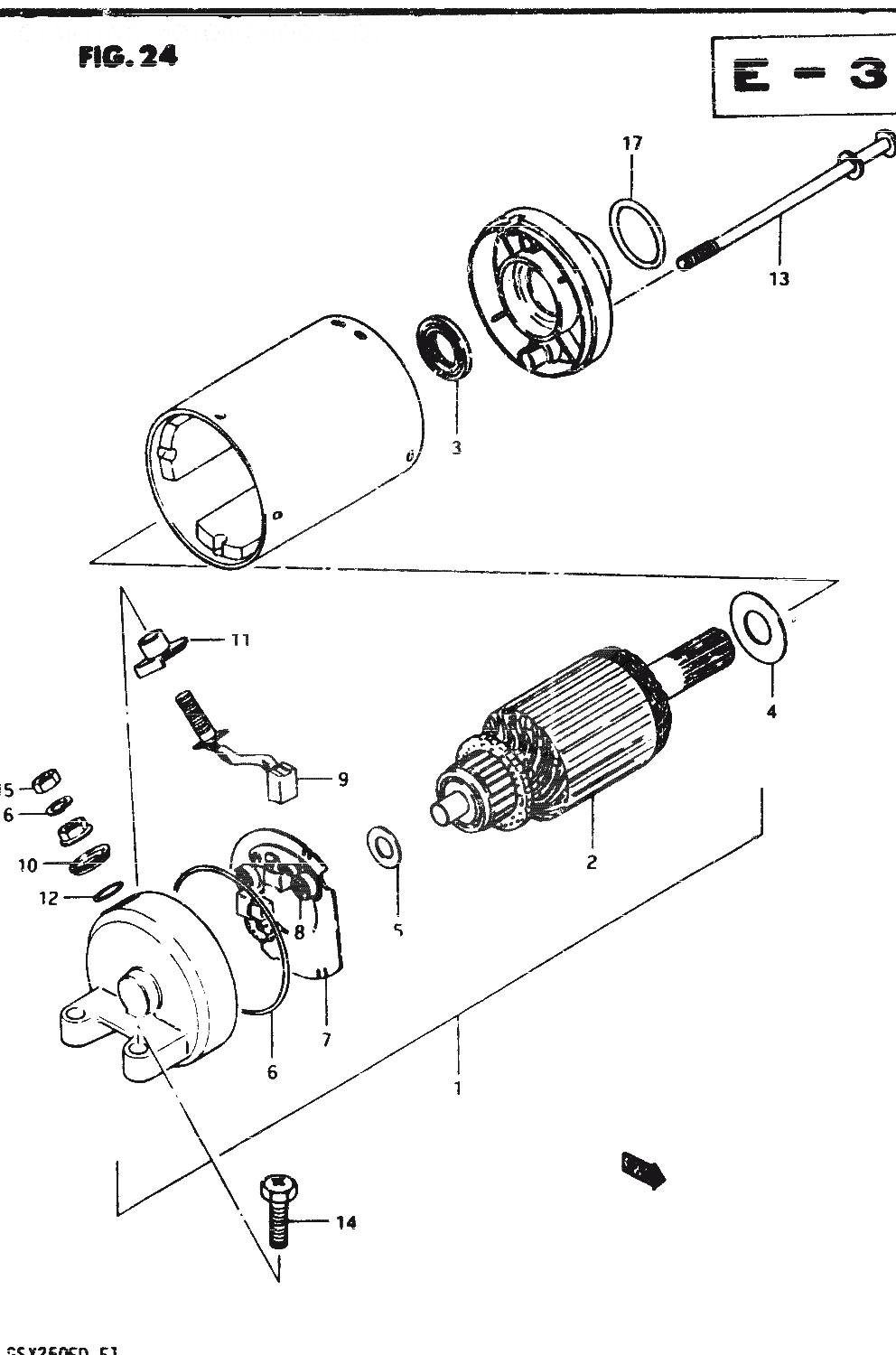
Suzuki » GSX250 (GSX250 1982 (Z)) » STARTING MOTOR (MODEL D)

1
31100-44110
MOTOR ASSY, STARTING
*
2
31311-44110
Denna artikel ersätts av 31311-49211-H17
3
31153-45010
Denna artikel ersätts av 31153-43400
4
31361-10200
RING
43:-
5
31361-47010
SHIM
*
6
31264-44110
O RING
135:-
7
31132-44110
Denna artikel ersätts av 31132-27A01
8
31135-65010
.SPRING, åtgår 2st
49:-
9
31130-44110
Denna artikel ersätts av 31130-38300
10
31172-44110
BUSHING (A)
*
11
31171-44110
BUSHING (B)
*
12
31143-44110
O RING
*
13
31281-44110
SCREW, åtgår 2st
*
14
09128-06024
BOLT (6X25), åtgår 2st
21:-
15
08310-22068
NUT
32:-
16
08321-21068
Denna artikel ersätts av 08321-01067
17
09280-24001
Denna artikel ersätts av 09280-24003



* Kontakta kundtjänst för prisuppgift: 018-15 60 00