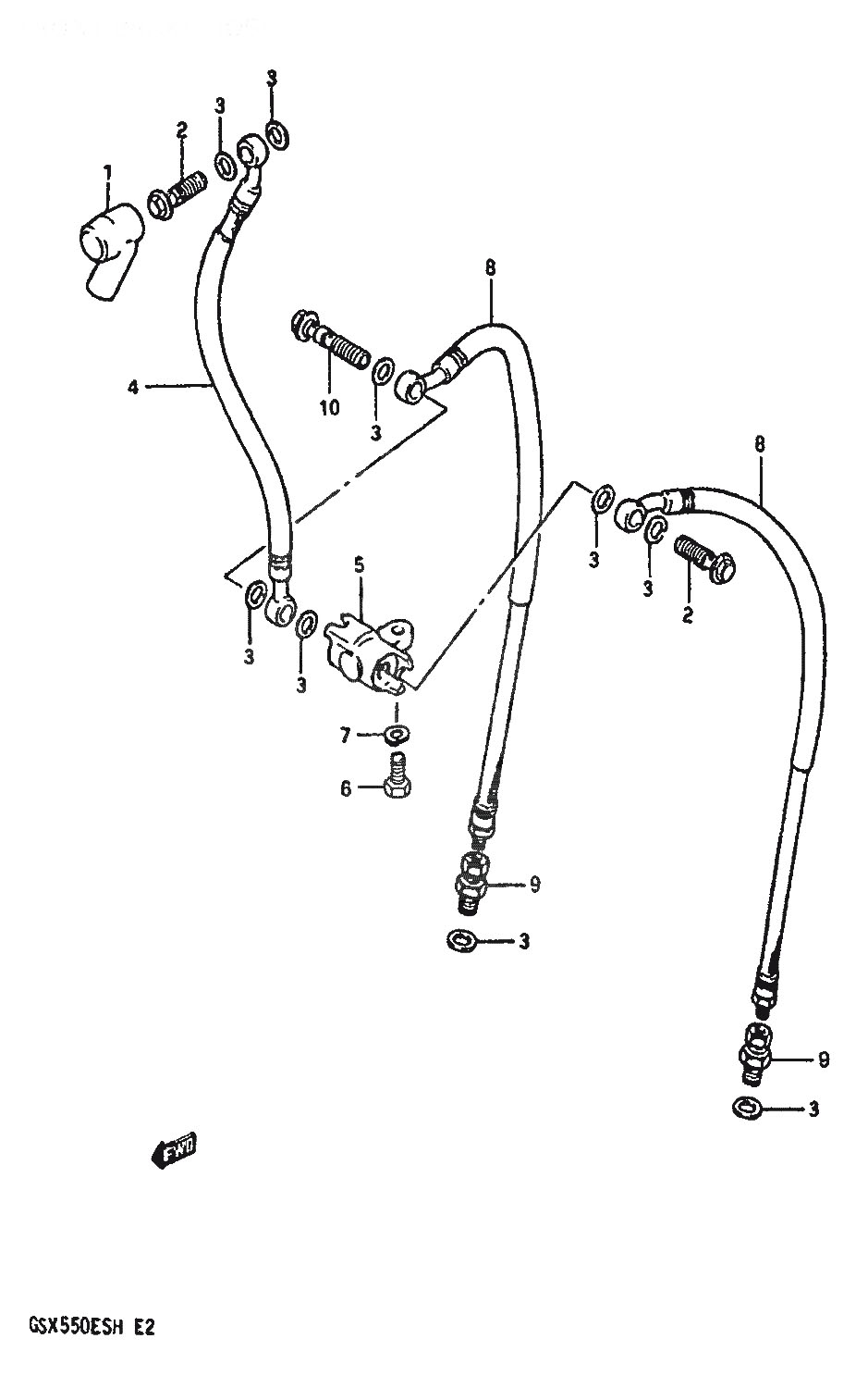
Suzuki » GSX550 (GSX550 1986 (EUG)) » FRONT BRAKE HOSE

1
59711-49001
BOOT
147:-
2
09360-10017
Denna artikel ersätts av 09360-10061
3
09161-10009
WASHER (10X15X1.5), åtgår 9st
30:-
4
59480-43400
HOSE, BRAKE NO.1 (L:375) (FLAT HANDLE)
*
4
59480-43411
HOSE, BRAKE NO.1 (NEUTRAL HANDLE)
*
5
59491-45000
JOINT, BRAKE HOSE
*
6
01107-06207
Denna artikel ersätts av 01500-06207
7
08321-21067
Denna artikel ersätts av 08321-01067
8
59240-43410
HOSE, BRAKE NO.2 (L:420), åtgår 2st
*
9
59290-43500
ADAPTER, BRAKE HOSE, åtgår 2st
610:-
10
09360-10018
BOLT (10X1.00X36)
113:-



* Kontakta kundtjänst för prisuppgift: 018-15 60 00