Suzuki
»
GSX750 (GSX750 1983 (SD))
» COWLING (GSX750SD)
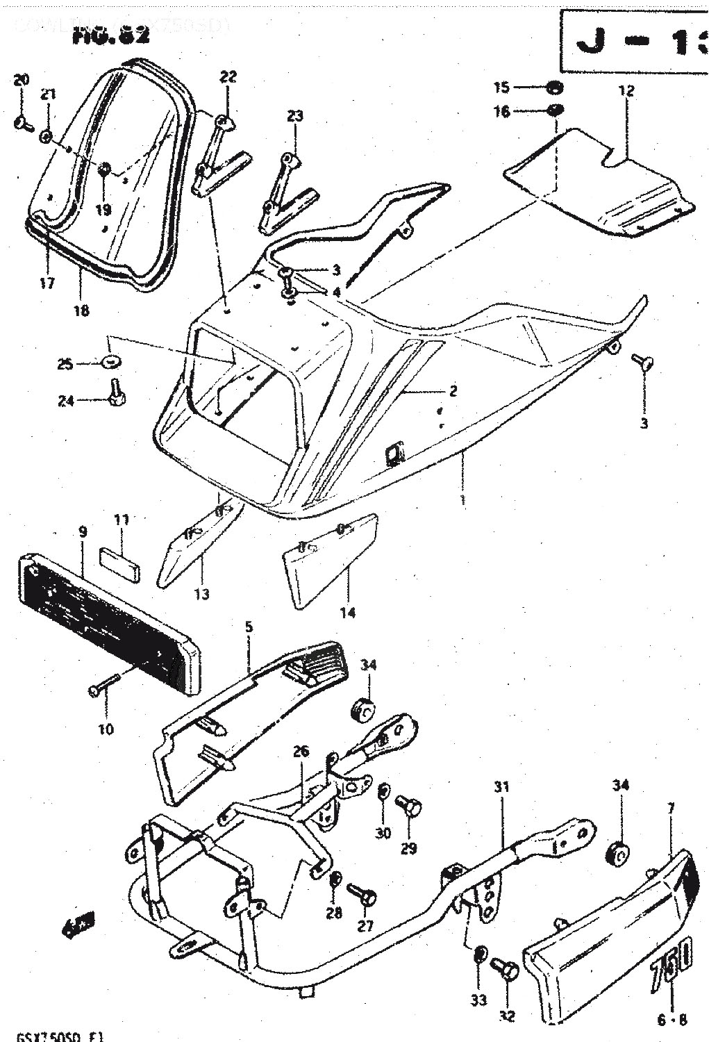
1
94410-45500-80A
BODY, COWLING (BLACK/SILVER)
*
2
68190-45500-70T
TAPE SET
*
3
02142-06125
Denna artikel ersätts av
02142-06123
4
09161-07003
SPACER
*
5
94430-45500-13L
COVER, RH (SILVER)
*
6
68131-45500-019
EMBLEM
*
7
94440-45500-13L
COVER, LH (SILVER)
*
8
68131-45500-019
EMBLEM
*
9
94445-49300
COVER, LOWER
*
10
02142-06308
SCREW, åtgår 2st
*
11
94446-49300
Denna artikel ersätts av
47117-46400
12
94412-49300
COVER, LOWER FRONT
285:-
13
94450-49300
WING, RH
773:-
14
94460-49300
WING, LH
730:-
15
08310-11068
Denna artikel ersätts av
08310-00067
16
08321-21068
Denna artikel ersätts av
08321-01067
17
94611-49303
Denna artikel ersätts av
94611-08C00
18
94631-49300
MOLDING
398:-
19
09320-05008
Denna artikel ersätts av
09320-05021
20
02142-05105
Denna artikel ersätts av
02142-05103
21
09161-05010
WASHER, åtgår 4st
28:-
22
94621-45500
BRACE, WINDOW RH
1060:-
23
94625-45500
BRACE, WINDOW LH
1060:-
24
01107-06128
Denna artikel ersätts av
01500-06127
25
09160-06019
WASHER, åtgår 4st
22:-
26
94510-49302
BRACE, FRONT
845:-
27
01107-06163
BOLT, FRONT, åtgår 2st
*
28
08321-21068
Denna artikel ersätts av
08321-01067
29
01107-08128
BOLT, åtgår 2st
*
30
08321-21088
Denna artikel ersätts av
08321-01087
31
94530-49301
BRACE, REAR
3180:-
32
01107-08168
Denna artikel ersätts av
01500-08163
33
08321-21088
Denna artikel ersätts av
08321-01087
34
09320-08018
Denna artikel ersätts av
09320-08513
* Kontakta kundtjänst för prisuppgift: 018-15 60 00
Förstora bilden