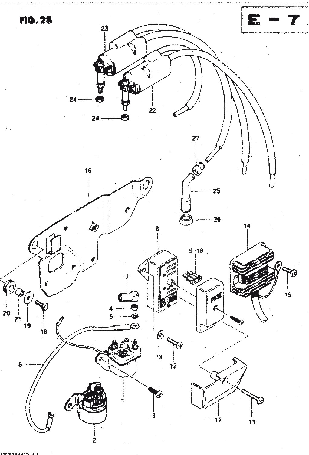
Suzuki » GSX750 (GSX750 1983 (SD)) » ELECTRICAL

1
31800-49320
Denna artikel ersätts av 31800-37020
2
31800-33400
Denna artikel ersätts av 31800-49100
3
02112-06108
Denna artikel ersätts av 02112-06107
3
02112-06088
SCREW, åtgår 2st
*
4
08310-22068
NUT, åtgår 2st
32:-
5
08321-21068
Denna artikel ersätts av 08321-01067
6
33850-44110
Denna artikel ersätts av 33850-49002
6
33850-49002
Denna artikel ersätts av 33850-03201
7
31861-35100
Denna artikel ersätts av 31861-48B10
8
36740-49300
Denna artikel ersätts av 36740-45D00
9
09481-10101
ZEKERING 10A, åtgår 4st
27:-
10
09481-15101
ZEKERING 15A
32:-
11
02112-06355
Denna artikel ersätts av 02112-06353
12
02112-06168
Denna artikel ersätts av 02112-06167
13
08322-21068
Denna artikel ersätts av 08322-0106A
14
32800-45250
Denna artikel ersätts av 32800-49X50
14
32800-49320
Denna artikel ersätts av 32800-49X50
15
02112-06128
Denna artikel ersätts av 02112-06127
16
47410-49310
Denna artikel ersätts av 47410-49311
16
47410-49301
PLATE, PARTS HOLDER
*
17
47419-49301
COVER, PARTS HOLDER
95:-
18
01107-06168
Denna artikel ersätts av 01500-06167
19
09160-06063
Denna artikel ersätts av 09160-06503
20
09320-08013
CUSHION, åtgår 2st
34:-
21
09180-07005
Denna artikel ersätts av 09180-06259
22
33410-49210
Denna artikel ersätts av 33410-31311
23
33420-49210
Denna artikel ersätts av 33410-31311
24
08310-11068
Denna artikel ersätts av 08310-00067
25
33510-45010
CAP, SPARK PLUG, åtgår 4st
249:-
26
33541-38210
SEAL, SPARK PLUG CAP, åtgår 4st
*
27
33542-98000
Denna artikel ersätts av 33542-38B00



* Kontakta kundtjänst för prisuppgift: 018-15 60 00