Suzuki » GSX750 (GSX750 1983 (SD)) » FOOTREST (MODEL Z)

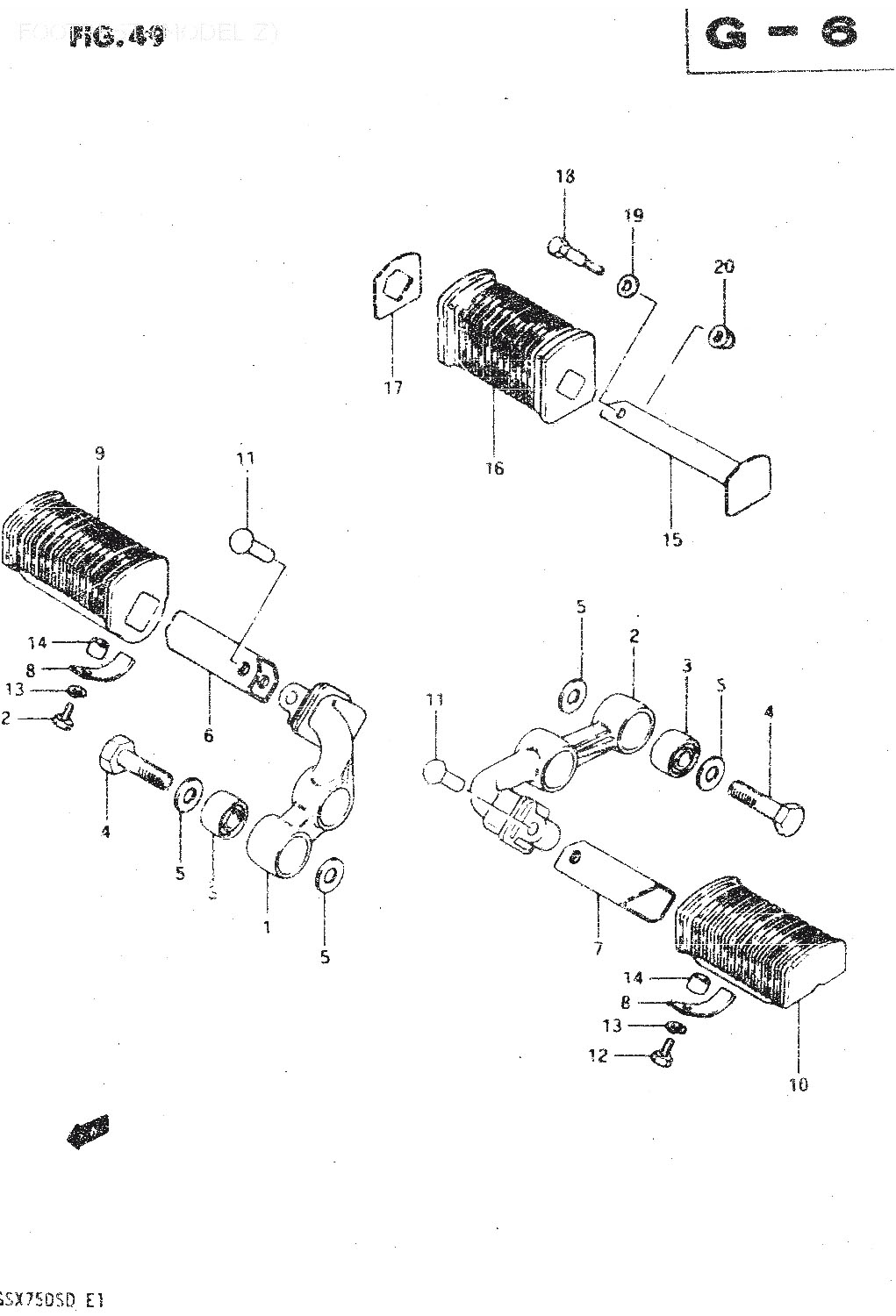
1
43510-49300
Denna artikel ersätts av 43510-49301
2
43520-49300
BAR, FOOTREST LH
*
3
09319-10047
BUSH, åtgår 4st
147:-
4
09104-10012
Denna artikel ersätts av 09104-10029
5
09160-10057
Denna artikel ersätts av 09160-10085
6
43530-49300
HOLDER, COVER RH
220:-
7
43540-49300
HOLDER, COVER LH
210:-
8
43571-49300
PLATE, FOOTREST STOPPER, åtgår 2st
1095:-
9
43551-49300
COVER, RH
*
10
43561-49300
COVER, LH
*
11
05011-08229
PIN, åtgår 2st
27:-
12
01107-06168
Denna artikel ersätts av 01500-06167
13
08321-21068
Denna artikel ersätts av 08321-01067
14
09180-06082
SPACER, åtgår 2st
37:-
15
43610-49300
BAR, RH
*
15
43620-49300
BAR, LH
373:-
16
43612-49201
COVER, LH (GN400X : ~F.NO. 105475 GN400 : ~F.NO.504989), åtgår 2st
*
17
43631-45001
WASHER (GN400X : ~F.NO. 105475 GN400 : ~F.NO.504989), åtgår 2st
205:-
18
09111-06034
BOLT, åtgår 2st
*
18
09111-06038
BOLT, åtgår 2st
72:-
19
08322-11088
Denna artikel ersätts av 08322-01087
20
08319-31068
Denna artikel ersätts av 08319-31067



* Kontakta kundtjänst för prisuppgift: 018-15 60 00