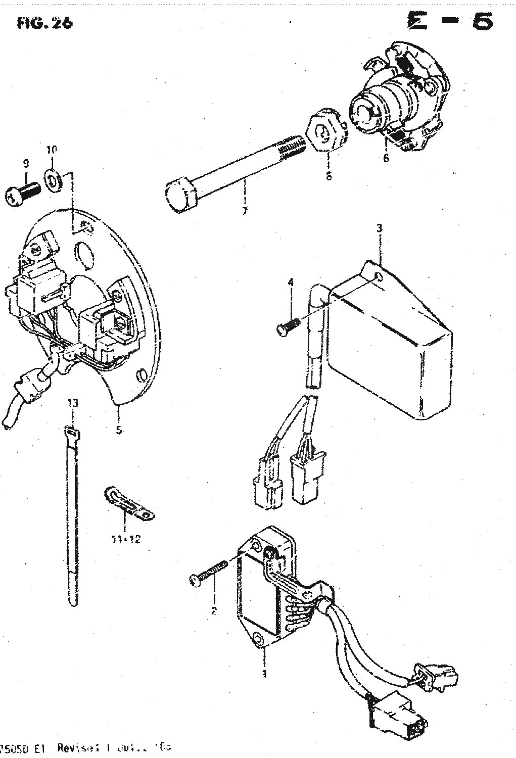
Suzuki » GSX750 (GSX750 1983 (SD)) » SIGNAL GENERATOR

1
32900-45411
IGNITER UNIT
6098:-
2
02112-06255
Denna artikel ersätts av 02112-06253
3
32900-45120
UNIT, IGNITER
6070:-
4
02112-06105
Denna artikel ersätts av 02112-0610B
5
33110-45110
Denna artikel ersätts av 33110-45410
6
33120-45420
GOVERNOR ASSY, ADVANCE
*
7
01107-08658
Denna artikel ersätts av 01500-08653
8
33465-47000
WASHER
355:-
9
09125-05024
SCREW, åtgår 3st
30:-
10
09160-05027
WASHER, åtgår 3st
*
11
09404-06401
Denna artikel ersätts av 09404-06432
12
09404-08401
CLAMP (L:50)
*
12
09404-08402
CLAMP,CARB.AIR VENT
*
13
09407-18301
Denna artikel ersätts av 09407-18302



* Kontakta kundtjänst för prisuppgift: 018-15 60 00