Suzuki » GSX750 (GSX750 1983 (SD)) » STARTING MOTOR (MODEL D)

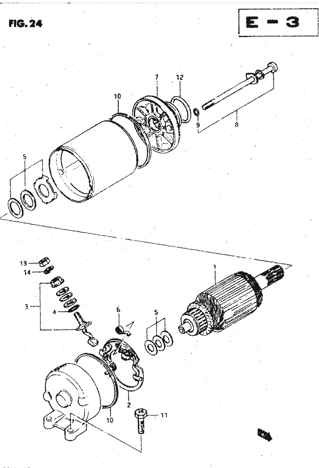
1
31311-31300
ARMATURE
*
2
31132-31300
HOLDER SET, BRUSH (-)
735:-
3
31130-31300
TERMINAL SET, BRUSH (+)
690:-
4
31143-49040
O RING
32:-
5
31170-31300
SHIM SET
230:-
6
31135-31300
SPRING, BRUSH, åtgår 2st
43:-
7
31150-31300
BRACKET SET
1945:-
8
31280-31300
BOLT SET
385:-
9
31143-49040
O RING, åtgår 2st
32:-
10
31264-31300
Denna artikel ersätts av 31264-32E00
11
09128-06024
BOLT (6X25), åtgår 2st
21:-
12
09280-24001
Denna artikel ersätts av 09280-24003
13
08310-22068
NUT
32:-
14
08321-21068
Denna artikel ersätts av 08321-01067



* Kontakta kundtjänst för prisuppgift: 018-15 60 00