Suzuki
»
LS650 (LS650 1997 (PV))
» FUEL COCK
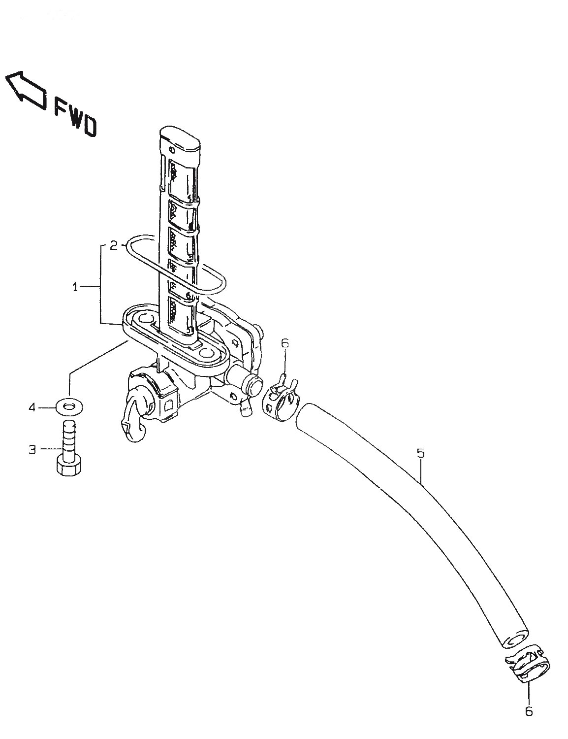
1
44300-24B00
Denna artikel ersätts av
44300-24B01
2
44348-28070
Denna artikel ersätts av
44348-28071
3
09128-06057
BOLT, åtgår 2st
33:-
4
09168-06026
GASKET, DRAIN BOLT, åtgår 2st
45:-
5
09354-70123-600
Denna artikel ersätts av
09354-65113-600
5
09355-70125-600
HOSE (L:600->120)
220:-
6
09401-11407
CLIP, åtgår 2st
19:-
Förstora bilden