Suzuki » T500 (T500 1,2,3 1968-1970 (USA)) » CARBURETOR

3
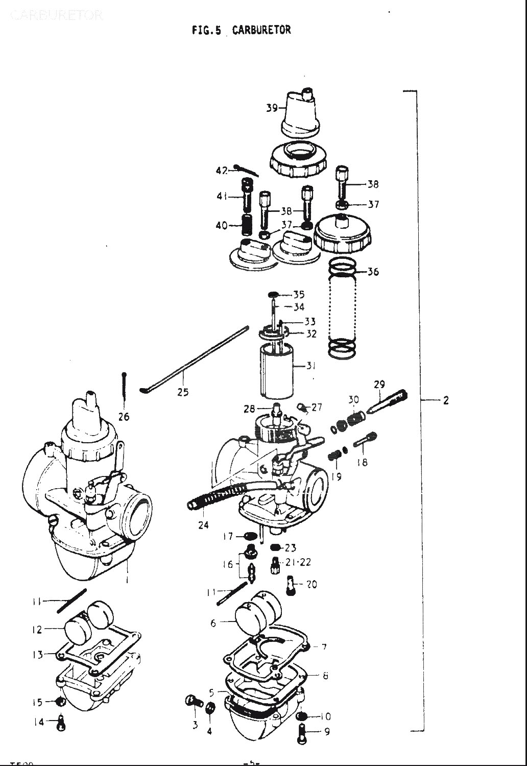
13247-05010
PLUG, DRAIN, åtgår 2st
67:-
4
13249-05010
GASKET, DRAIN PLUG, åtgår 2st
23:-
9
02112-05207
SCREW, åtgår 8st
19:-
10
08321-01057
Denna artikel ersätts av 08321-0105A
11
13254-01010
PIN, åtgår 2st
32:-
12
13252-18010
FLOAT, åtgår 2st
*
13
13251-33110
GASKET, åtgår 2st
*
13
13251-33110
GASKET, åtgår 2st
*
14
02112-04163
Denna artikel ersätts av 02112-0416A
15
08321-01043
Denna artikel ersätts av 08321-0104A
16
13370-41500
VALVE ASSY, NEEDLE, åtgår 2st
1285:-
17
13392-16600
GASKET, VALVE SEAT, åtgår 2st
47:-
18
13269-15010
SCREW, PILOT AIR ADJUSTING, åtgår 2st
170:-
19
13268-01010
SPRING (M12MARK2,M15D,M12M12MARK2,M15D,M12), åtgår 2st
48:-
20
09492-25001
JET,PILOT 25, åtgår 2st
135:-
20
09492-35001
** SUPERSEEDED, åtgår 2st
*
20
09492-30006
JET, PILOT (30), åtgår 2st
193:-
21
09491-72011
JET, MAIN (#360), åtgår 2st
193:-
21
09491-76003
JET, MAIN (#380), åtgår 2st
193:-
21
09491-78005
JET, MAIN (#390), åtgår 2st
193:-
21
09491-88001
JET, MAIN (#440), åtgår 2st
288:-
22
09491-30016
JET,MAIN,150, åtgår 2st
248:-
22
09491-29001
Denna artikel ersätts av 09491-29013
22
09491-30017
JET,MAIN,150, åtgår 2st
*
23
13382-03110
WASHER, åtgår 2st
24:-
24
09355-45855-600
Denna artikel ersätts av 09355-45857-600
25
13425-15010
ROD, STARTER
*
26
04111-12108
Denna artikel ersätts av 04111-1210A
27
13429-15010
BOLT, STARTER ROD
*
29
13267-40230
SCREW, THROTTLE STOP, åtgår 2st
167:-
30
13268-03110
SPRING (PP), åtgår 2st
80:-
33
13296-15010
ROD, THROTTLE STOP SCREW, åtgår 2st
90:-
35
13394-10010
CLIP, NEEDLE, åtgår 2st
63:-
37
13661-03010
NUT, åtgår 2st
65:-
38
13577-48110
.ADJUSTER, åtgår 2st
133:-
40
13268-03110
SPRING (PP), åtgår 2st
80:-
41
13267-09210
THROTTLE STOP SCREW, åtgår 2st
259:-
42
04111-12108
Denna artikel ersätts av 04111-1210A



* Kontakta kundtjänst för prisuppgift: 018-15 60 00