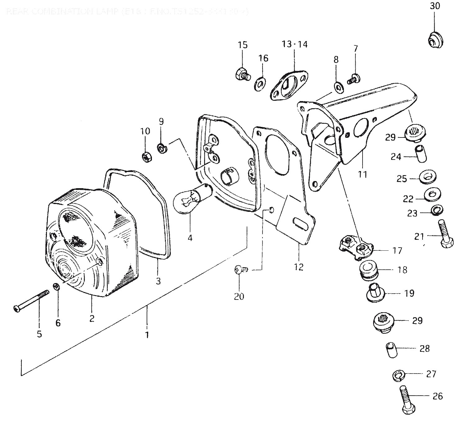
Suzuki » TS125 (TS125 1980 (ERT)) » REAR COMBINATION LAMP (E18 : F.NO.TS1252-333130~)

1
35720-48550
LAMP UNIT, TAIL
*
2
35712-46623
Denna artikel ersätts av 35712-39270
3
35713-46620
GASKET
90:-
4
09471-06042
BULB (6V,21/5W)
*
5
35623-35110
SCREW, åtgår 2st
44:-
6
35627-43010
GASKET, åtgår 2st
28:-
7
02112-05128
Denna artikel ersätts av 02112-05127
8
08322-21058
Denna artikel ersätts av 08322-01057
9
08321-21058
Denna artikel ersätts av 08321-01057
10
08310-11058
Denna artikel ersätts av 08310-00057
11
35730-48551
BRACKET ASSY
*
12
35927-48590
PLATE, LICENSE
*
13
35716-48551
PLATE, RH
*
14
35736-48551
PLATE, LH
*
15
01107-06128
Denna artikel ersätts av 01500-06127
16
08322-21068
Denna artikel ersätts av 08322-0106A
17
35716-30950
PLATE
539:-
18
35765-30950
CUSHION, åtgår 2st
355:-
19
35766-30950
SPACER, åtgår 2st
33:-
20
02142-05087
SCREW
22:-
21
01107-06308
Denna artikel ersätts av 01500-06307
22
09160-06027
Denna artikel ersätts av 09160-06077
23
08321-21068
Denna artikel ersätts av 08321-01067
24
09180-06072
Denna artikel ersätts av 09180-06271
25
09320-09003
CUSHION
34:-
26
01107-06408
Denna artikel ersätts av 01500-06403
27
08321-21068
Denna artikel ersätts av 08321-01067
28
09180-06006
SPACER, åtgår 2st
25:-
29
09320-09010
CUSHION, åtgår 3st
37:-
30
09308-07004
GROMMET
29:-



* Kontakta kundtjänst för prisuppgift: 018-15 60 00