Suzuki
»
TS125 (TS125 1982 (ERZ))
» ELECTRICAL
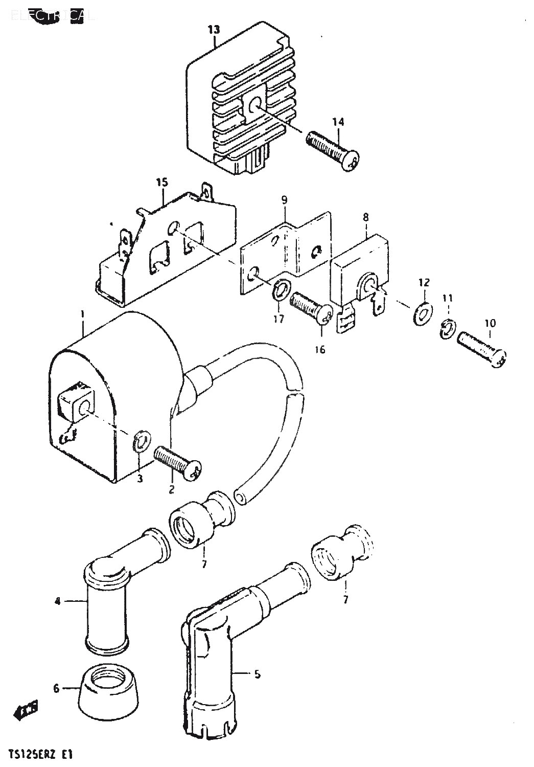
1
33410-46710
UNIT & COIL ASSY, IGNITION
*
2
02112-06208
Denna artikel ersätts av
02112-06207
3
08321-21068
Denna artikel ersätts av
08321-01067
4
33510-39110
CAP, SPARK PLUG
*
6
33542-98000
Denna artikel ersätts av
33542-38B00
8
32800-19063
RECTIFIER ASSY
508:-
9
32831-48700
PLATE, RECTIFIER
*
10
02112-05208
Denna artikel ersätts av
02112-05207
11
08321-21058
Denna artikel ersätts av
08321-01057
12
08322-21058
Denna artikel ersätts av
08322-01057
13
32800-48720
RECTIFIER, REGULATROR
1557:-
14
02112-06258
Denna artikel ersätts av
02112-06257
* Kontakta kundtjänst för prisuppgift: 018-15 60 00
Förstora bilden