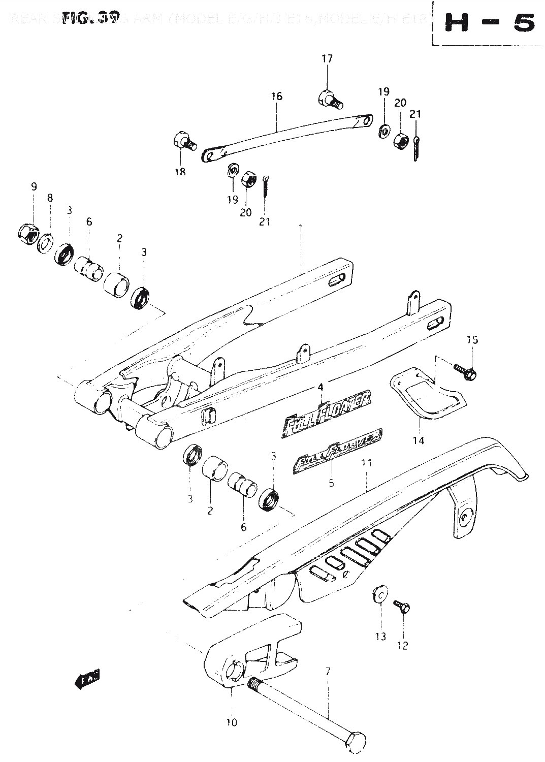
Suzuki » TS50 (TS50 1986 (XKG)) » REAR SWINGING ARM (MODEL E/G/H/J E16,MODEL E/H E18)

1
61000-13634-08C
SWINGING ARM ASSY, REAR (GOLD)
*
1
61000-13651-13L
SWINGING ARM ASSY, REAR (SILVER)
*
2
61261-13700
BUSHING, åtgår 2st
137:-
3
09285-20005
Denna artikel ersätts av 09283-20031
4
68381-20920-97J
EMBLEM, åtgår 2st
*
5
68381-03410-97J
EMBLEM, åtgår 2st
*
6
61251-13700
SPACER, PIVOT, åtgår 2st
305:-
7
61211-13700
Denna artikel ersätts av 61211-13701
8
08322-11148
Denna artikel ersätts av 08322-01147
9
08319-21148
Denna artikel ersätts av 08319-2114A
10
61273-13610
BUFFER, CHAIN TACH DIFENCE
*
11
61311-13610-291
CASE, CHAIN (BLACK)
*
12
01107-06104
Denna artikel ersätts av 01500-0610B
13
09169-06026
WASHER, åtgår 3st
29:-
14
61341-13710
CHAIN GUIDE
*
15
01517-06164
Denna artikel ersätts av 01550-06163
16
64311-48700-08C
TORQUE LINK, REAR
*
16
64311-48700-13L
TORQUE LINK, REAR (SILVER)
303:-
17
09111-08013
BOLT (8X26.5)
40:-
18
09111-08015
BOLT, TORQUE LINK FRONT (8X22
44:-
19
08321-21088
Denna artikel ersätts av 08321-01087
20
09140-08008
NUT, åtgår 2st
20:-
21
04111-20208
Denna artikel ersätts av 04111-2020A



* Kontakta kundtjänst för prisuppgift: 018-15 60 00