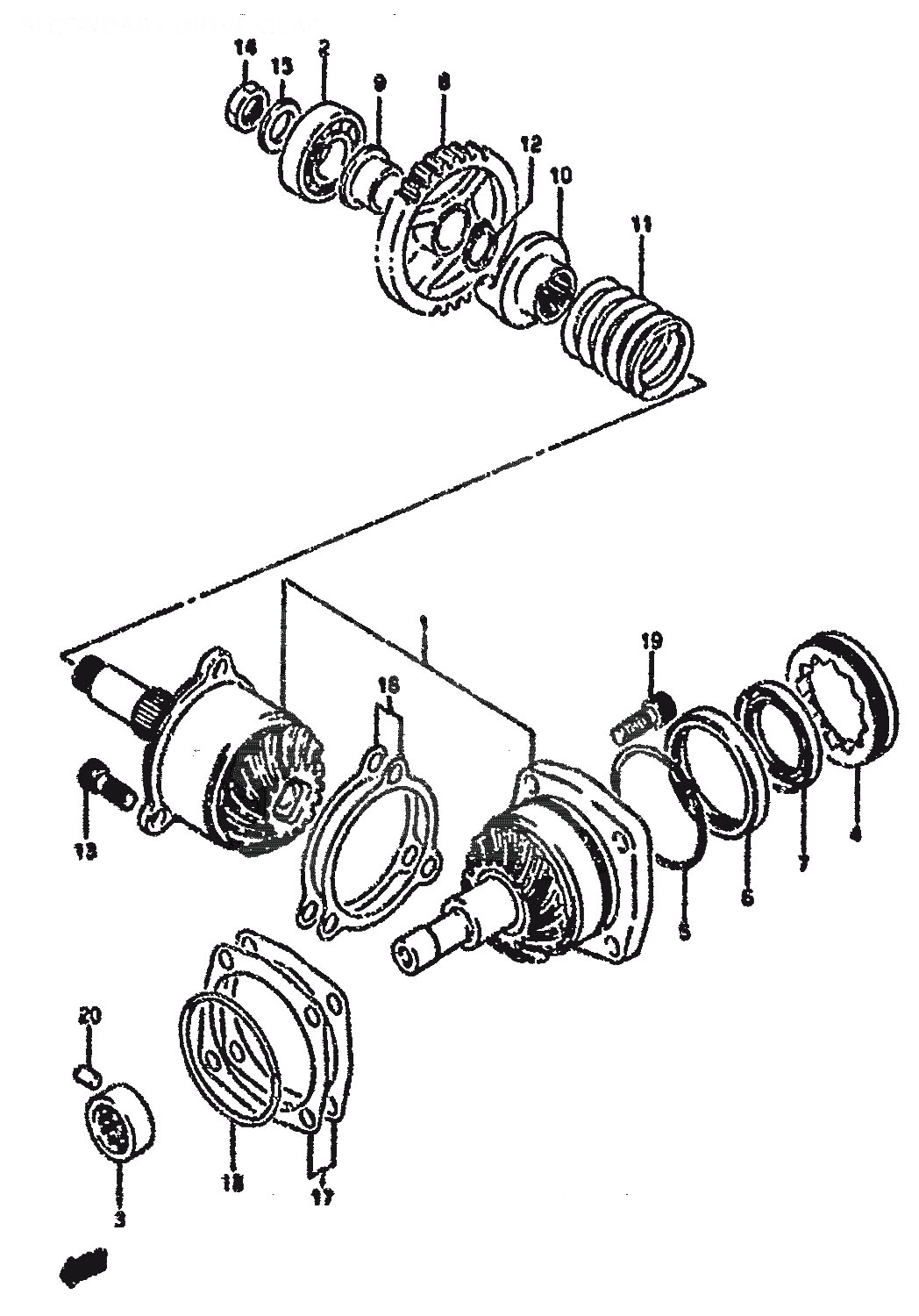
Suzuki » VX800 (VX800 1994 (R)) » SECONDARY DRIVE GEAR

1
24900-38822
GEAR & HOUSING SET, SECONDARY
*
2
09262-20073
BEARING, DRIVE SHAFT, RH
409:-
3
09263-20038
BEARING (20X34X16)
744:-
4
24942-38A50
STOPPER, BEARING
744:-
5
09280-60003
O RING (D:1.2,ID:59.6)
29:-
6
24943-38A50
HOUSING, OIL SEAL
982:-
7
09283-38016
OIL SEAL (38X54X8.5)
199:-
8
24631-45C00
GEAR,REDUCTION DRIVEN (NT:30)
2135:-
9
24632-38A00
BUSH
280:-
10
24922-38A00
DOG, OUTPUT CAM
903:-
11
09440-46003
SPRING
*
12
08331-31216
Denna artikel ersätts av 08331-31219
13
07110-08256
Denna artikel ersätts av 07130-08257
13
07130-08253
Denna artikel ersätts av 07130-0825B
14
09140-16014
Denna artikel ersätts av 09140-16005
15
09160-16029
WASHER, DRIVE SHAFT
69:-
16
24935-38810
SHIM SET, SEC DRIVE GEAR (T:0.3/0.35/0.4/0.5/0.6)
370:-
17
24945-05810
SHIM SET, SEC DRIVE HOUSING (T:0.3/0.35/0.4/0.5/0.6)
430:-
18
09280-67004
O RING (D:2.1,ID:66.2)
44:-
19
07110-08256
Denna artikel ersätts av 07130-08257
19
07130-08253
Denna artikel ersätts av 07130-0825B
20
04221-07129
PIN
25:-



* Kontakta kundtjänst för prisuppgift: 018-15 60 00