Suzuki » ZR50 (ZR50 1981 (KEN)) » SPEEDOMETER - TACHOMETER

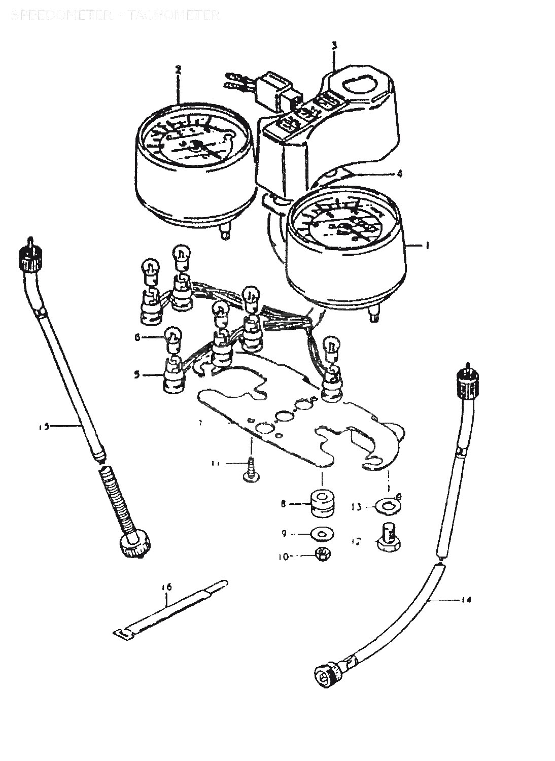
1
34110-46641
SPEEDOMETER (MILE & KILO)
*
1
NOTUSED
Denna artikel ersätts av 09407-18302
2
34210-46240
(34210-26900) TACHOMETER
*
3
36380-46240
BOX, PILOT BULB
575:-
4
36383-46240
COVER, PILOT BOX
*
5
34173-46240
SOCKET
*
6
09471-06001
BULB (6V,1.7W), åtgår 3st
58:-
6
09471-06002
BULB (6V,3W), åtgår 3st
40:-
7
34950-46241
(34950-46680) BRACKET
*
8
34189-46240
CUSHION, åtgår 4st
*
9
09160-05017
Denna artikel ersätts av 09160-05043
10
08313-11057
Denna artikel ersätts av 08313-10057
11
36387-46240
SCREW, åtgår 3st
*
12
01107-08128
BOLT, åtgår 2st
*
13
08322-11088
Denna artikel ersätts av 08322-01087
14
34910-46200
Denna artikel ersätts av 34910-46201
15
34940-46120
CABLE, TACHOMETER
*
16
09407-18301
Denna artikel ersätts av 09407-18302



* Kontakta kundtjänst för prisuppgift: 018-15 60 00