Triumph » Speed Triple () » Framgaffel/Styrkrona

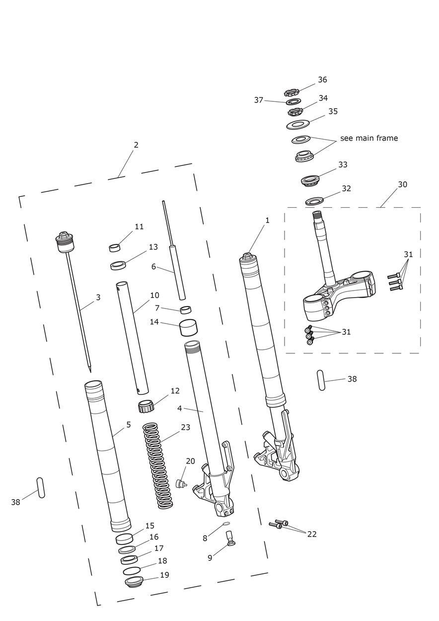
1
T2043024
Stanchion Assembly, LH
> 778821
16980:-
1
T2045687
Stanchion Assembly, LH
778822 >
18230:-
2
T2045686
Stanchion Assembly, RH
778822 >
18230:-
3
T2042939
Top Cap, Fork, åtgår 2st
1060:-
4
T2048432
RH Slide Pipe Comp
9600:-
4
T2048442
LH Slide Pipe Comp
9600:-
5
T2042936
Outer Tube, åtgår 2st
10295:-
6
T2042937
Damper Comp, åtgår 2st
10150:-
7
T2048174
Centering Plate, åtgår 2st
230:-
8
T2040427
Washer copper, åtgår 2st
25:-
9
T2048415
Centre Bolt, åtgår 2st
100:-
10
T2048418
SPG Collar, åtgår 2st
675:-
11
T2046178
Slider, åtgår 2st
205:-
12
T2046166
Spring Seat, åtgår 2st
325:-
13
T2042953
Seat, Rubber, åtgår 2st
95:-
14
T2045095
Bush, Slide, Inner, åtgår 2st
205:-
15
T2045094
Bush, Guide, Outer, åtgår 2st
205:-
16
T2046246
Seal, Spacer, åtgår 2st
100:-
17
T2048424
Oil Seal, åtgår 2st
265:-
18
T2046248
Stop Ring, åtgår 2st
110:-
19
T2041524
Kit, Dust Seals, Pair
> 778821
620:-
19
T2041542
Dust Seal, åtgår 2st
778822 >
305:-
20
T2043022
Plug, Bolt Comp, åtgår 2st
75:-
22
T2048426
Screw, Cap/Hd, M8 x 35, Slv, åtgår 2st
100:-
23
T2042938
Spring, åtgår 2st
1665:-
30
T2048460
Lower Yoke Assembly, Black
6380:-
31
T3050312
Screw, Skt, Cap, M8 x 30, S/S, åtgår 6st
60:-
32
T3600234
Dust Seal, Dia 55
105:-
33
T3800091
Bearing, Sac
410:-
34
T2040301
Adjuster Nut, M30, Lower
500:-
35
T2046559
Cover, Headstock Bearing
190:-
36
T2040304
Locknut, M30
350:-
38
T2700332
Reflector, Amber, Oval, åtgår 2st
120:-