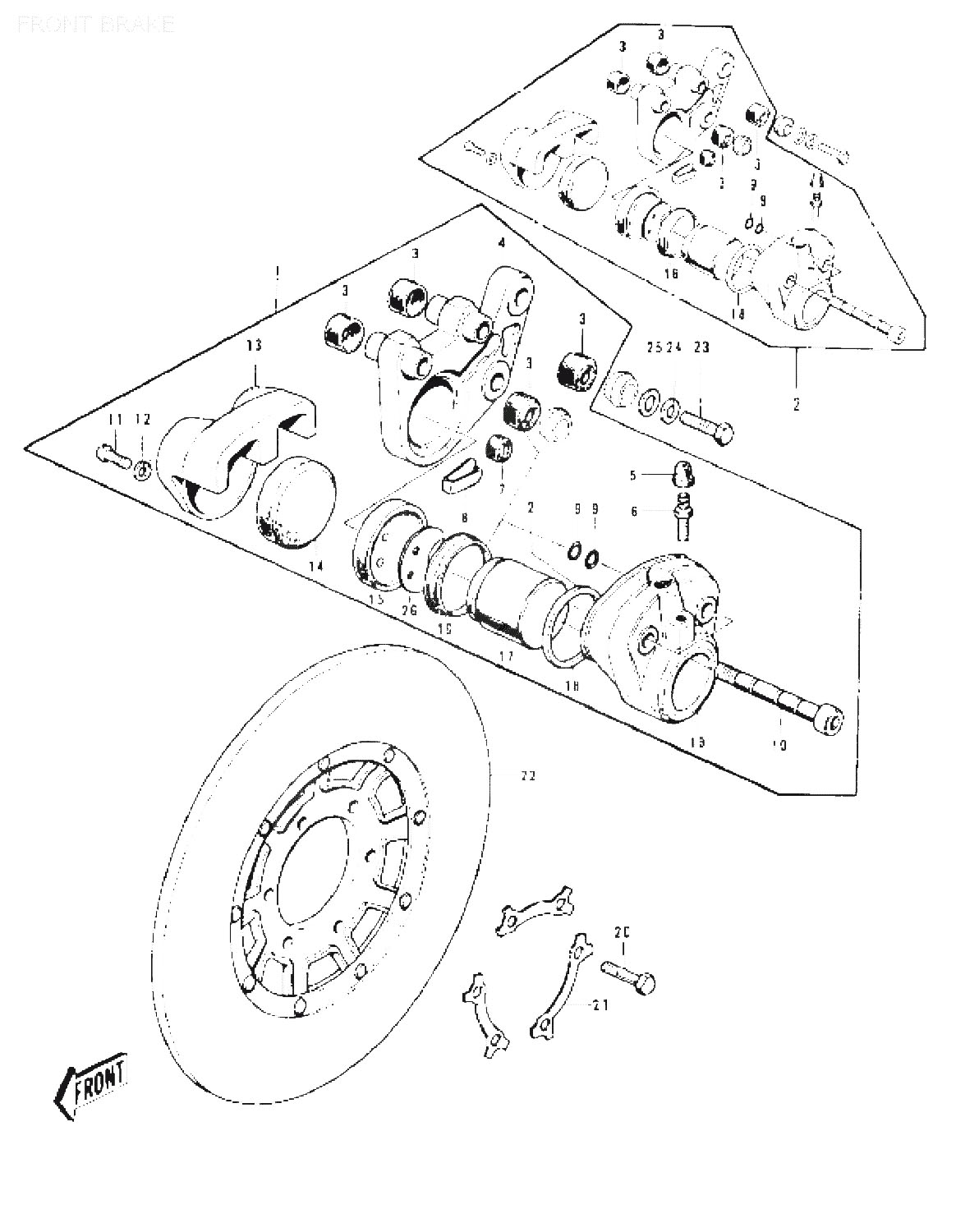
Kawasaki » Z900 (Z1) (Z1 1973 USA) » FRONT BRAKE

1
43041-004
CALIPER ASSY
15125:-
2
43073-004
REPAIR,SET,CALIPER
*
3
43052-003
DUST SEAL,SHAFT, åtgår 4st
118:-
4
43044-004
HOLDER,CALIPER
1661:-
5
43085-001
BLEEDER SET
204:-
5
43085-001
BLEEDER SET
204:-
6
43085-001
BLEEDER SET
204:-
6
43085-001
BLEEDER SET
204:-
7
43047-001
BUSHING-RUBBER
*
8
43046-001
STOPPER-PAD A
*
9
43053-002
"0" RING,SHAFT, åtgår 4st
127:-
10
43045-003
SHAFT,CALIPER, åtgår 2st
185:-
11
220B0-612
SCREW PAN HEAD 6X12
*
12
461F0-600
WASHER SPRING 6MM
*
13
43043-003
CALIPER B
1280:-
14
43051-001
PAD B
*
15
43082-001
PAD A
*
16
43054-002
DUST SEAL-PISTON
179:-
17
43048-002
PISTON,CALIPER
425:-
18
43049-002A
RING,PISTON SEAL
*
19
43042-004
CALIPER A
1421:-
20
92001-104
BOLT-HEX HEAD,8X28, åtgår 6st
72:-
21
92068-014
UNAVAILABLE IN PRICE BOOK, åtgår 3st
*
22
41080-001
DISC PLATE-FRONT BRK
4814:-
23
43070-001
BOLT-HEX HEAD,10X43, åtgår 2st
39:-
24
461F1-000
WASHER SPRING 10MM, åtgår 2st
*
25
410B1-000
WASHER PLAIN 10MM, åtgår 2st
*
26
43076-001
SHIM
104:-



* Kontakta kundtjänst för prisuppgift: 018-15 60 00