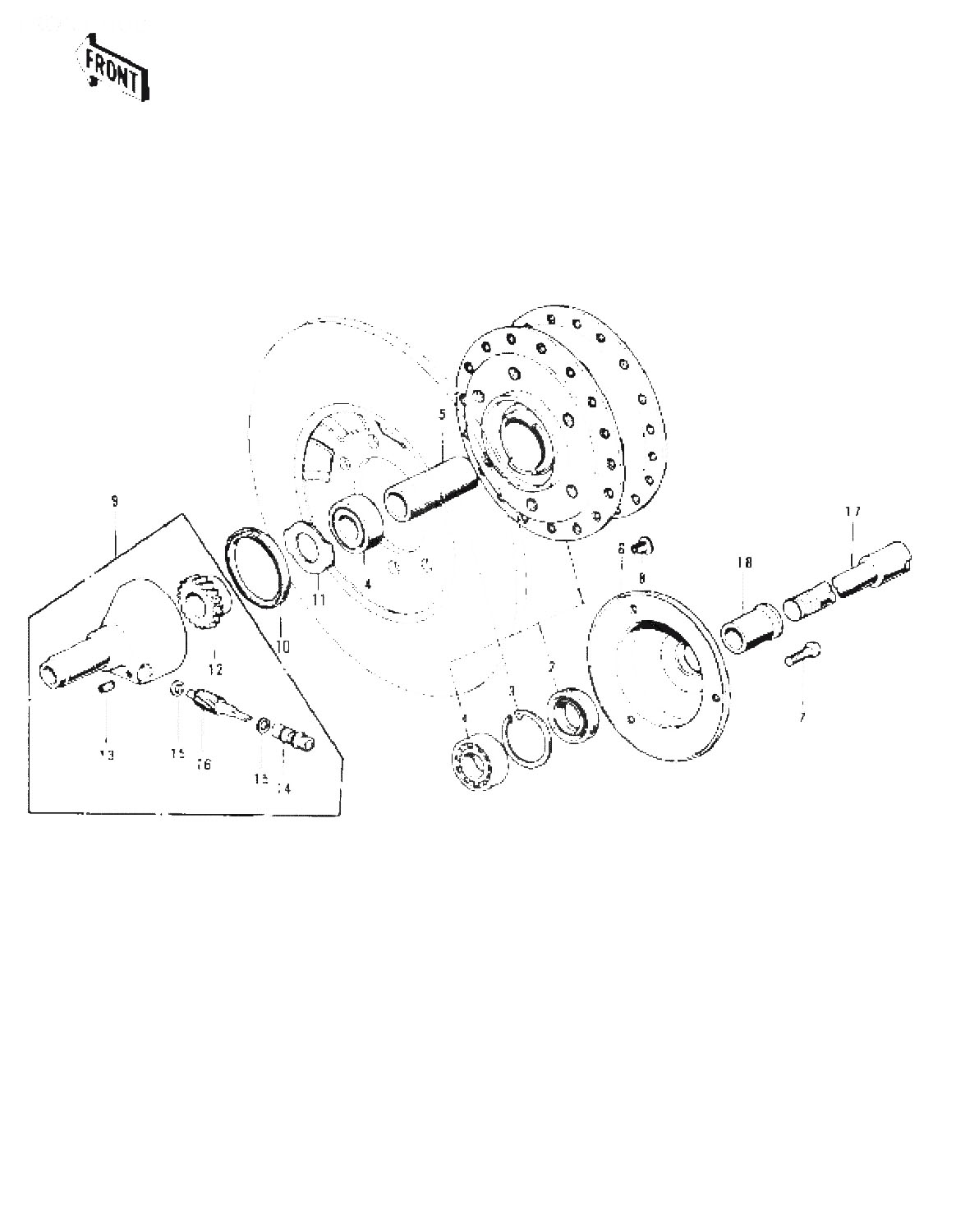
Kawasaki » Z900 (Z1) (Z1 1973 USA) » FRONT HUB

1
41034-0212
DRUM-ASSY,FR BRK,BLK
*
2
92052-003
OIL SEAL-COUPLING
*
3
92033-1040
RING, SNAP,43.5M/M
55:-
4
601B6-203
BEARING BALL #6203, åtgår 2st
*
5
41039-019
COLLAR-FRONT DRUM
*
6
41042-009
COVER-BRAKE DRUM DUST
*
7
222E0-508A
SCREW OVL CNTSNK 5X8, åtgår 3st
*
8
92102-006
CAP-FRONT DRUM HOLE, åtgår 6st
*
9
41078-001
CASE ASSY-SPEED GEAR
*
10
92050-046
OIL SEAL,VC54656
*
11
41064-007
RECEIVER-SPEEDO GEAR
*
12
41059-016
GEAR-SPEEDOMETER
373:-
13
41082-001
PIN,SPRING
39:-
14
41062-005
BUSH,SPEEDMETER CABLE
151:-
15
41063-001
WASHER THRST SPD PINI, åtgår 2st
44:-
16
41060-012
PINION-SPEEDOMETER
*
17
41068-036
AXLE-FRONT HUB
*
18
41069-018
COLLAR-FRONT AXLE
*



* Kontakta kundtjänst för prisuppgift: 018-15 60 00