Kawasaki » Z900 (Z1) (Z1 1973 USA) » KICKSTARTER MECHANISM

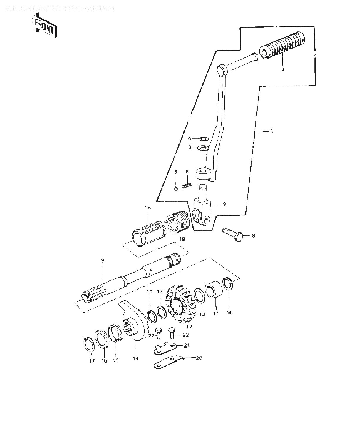
1
13058-044
PEDAL,KICKSTARTER
*
2
13061-014
BOSS-KICK PEDAL
*
3
92022-085
WASHER BRAKE PEDAL
*
4
482J0-100
CIRCLIP 10MM
*
5
600A0-800
BALL STEEL 1/4'
*
6
92081-020
SPRING KICK PEDAL
*
7
13063-004
Denna artikel ersätts av 92161-2388
8
114B1-025
BOLT-HEX HEAD,10X25
*
9
13066-029
SHAFT,KICKSTARTER
1266:-
10
92033-025
CIRCLIP,25MM, åtgår 2st
46:-
11
92028-126
COLLAR,KICKSHAFT
308:-
12
13068-028
GEAR,KICKSTARTER 19T
769:-
13
92022-207
WASHER,PLAIN,22MM
45:-
14
13078-011
RATCHET,KICK SHAFT
802:-
15
92081-104
SPRING RATCHET
80:-
16
92102-008
CAP,KICKSTARTER
68:-
17
480J1-900
CIRCLIP,19MM
*
18
13070-005
GUID,KICK SHAFT
100:-
19
92082-004
SPRING,KICKSTARTER
145:-
20
13072-012
STOPPER,KICKSTARTER
99:-
21
92024-036
WASHER-LOCK
22:-
22
112B0-614
BOLT-UPSET 6X14, åtgår 2st
*



* Kontakta kundtjänst för prisuppgift: 018-15 60 00