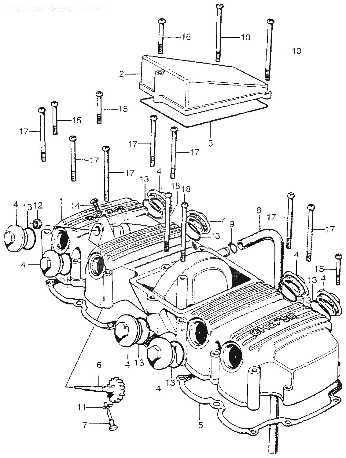
Honda » CB750 (FOUR) (CB750 FOUR K3 USA) » CYLINDER HEAD COVER

1
12310-300-040
COVER,CYLINDER
20864:-
1
12310-300-050
COVER,CYLINDER
*
1
12310-300-060
COVER,CYLINDER
20864:-
2
12321-300-030
COVER,HEAD BREAT.
*
2
12321-300-305
COVER,HEAD BRTHR.
*
3
12329-300-020
GASKET BREATHER
133:-
4
12361-300-000
CAP TAPPET HOLE, åtgår 8st
166:-
5
12391-300-306
GASKET,CYLINDER
507:-
6
12431-300-010
GEAR TACHOMETER
454:-
7
12435-300-003
BOLT STOPPER
*
8
15763-300-303
TUBE,C.BREATHER
*
9
15772-292-010
CLIP,BRTHR TUBE
35:-
10
90018-300000
SCREW,PAN,6X75, åtgår 2st
61:-
11
90439-300000
WASHER,LOCK
87:-
12
91211-286003
OIL-SEAL 4.8X14.5
45:-
12
91256-096651
OIL SEAL,4.8X14.5
48:-
13
91302-001020
O RING, 30.8M/M, åtgår 8st
51:-
14
93500-050250A
SCREW,PAN,5X25
16:-
15
93500-06040
SCREW,CROSS 6X40, åtgår 4st
15:-
15
93500-060400A
SCREW 6X40, åtgår 4st
15:-
16
93500-06050
SCREW,PAN,6X50
15:-
16
93500-060500A
SCREW,PAN,6X50
15:-
17
93500-060600A
SCREW,PAN,6X60, åtgår 10st
17:-
17
93500-06063
SCREW CROSS 6X63, åtgår 10st
17:-
18
93500-06080
SCREW CROSS 6X80, åtgår 2st
20:-
18
93500-060800A
SCREW PAN 6X80, åtgår 2st
18:-



* Kontakta kundtjänst för prisuppgift: 018-15 60 00