Honda
» CB750 (FOUR) (CB750 FOUR K3 USA)
* HOW TO USE THIS CATALOG *
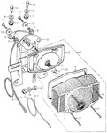
AIR FILTER
ALTERNATOR
BATTERY
BOLT / WASHER I
BOLT / WASHER II
BRAKE MASTER CYLINDER
BULK HOSE
CAM CHAIN / TENSIONER
CAMSHAFT / CAMSHAFT HOLDER
CARBURETOR
CLUTCH
CLUTCH COVER
COLOR CHART
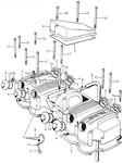
CRANKCASE
CRANKSHAFT
CYLINDER / PISTON
CYLINDER HEAD / INSULATOR
CYLINDER HEAD COVER
FINAL DRIVEN SHAFT / DRIVE SPROCKET
FRAME
FRONT BRAKE CALIPER / DISK
FRONT BRAKE HOSE
FRONT FENDER
FRONT FORK
FRONT WHEEL
FUEL TANK
GEARSHIFT / DRUM STOPPER
GEARSHIFT FORK / DRUM
HANDLEBAR / FORK TOP BRIDGE
HEADLIGHT
KICK STARTER / SPINDLE
LEFT HANDLE SWITCH / CABLE II
MUFFLER
OIL FILTER / OIL PAN
OIL PUMP
OIL TANK / TANK & BATTERY COVER
POINTS / SPARK ADVANCER
PRIMARY TENSIONER
REAR BRAKE PANEL / PEDAL
REAR FENDER
REAR SHOCK ABSORBER
REAR WHEEL / DRIVEN SPROCKET
RIGHT HANDLE SWITCH / CABLEI
SEAT
SERIAL NUMBERS
SPEEDOMETER / TACHOMETER
STAND / STEP
STARTER MOTOR
STEERING STEM
SWINGARM / CHAIN CASE
TAILLIGHT
TOOLS
TRANSMISSION
TRANSMISSION COVER / REAR COVER
TURN SIGNAL I
TURN SIGNAL II
V.I.N. TABLE
VALVE / ROCKER ARM
WIRE HARNESS / IGNITION COIL