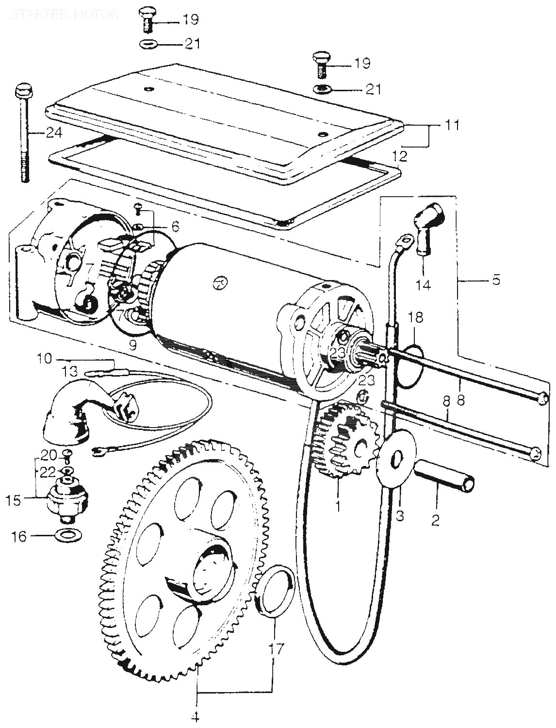
Honda » CB750 (FOUR) (CB750 FOUR K3 USA) » STARTER MOTOR

1
28101-300-000
GEAR,REDUCTION
*
2
28106-300-000
SHAFT,REDUCTION
*
3
28109-300-000
PL,GEAR SET
*
4
28110-300-000
GEAR,STARTING
*
5
31200-300-030
MOTOR,STARTING
*
6
31201-292-158
BRUSH.SET,MOTOR
312:-
7
31204-292-158
SPRING, åtgår 2st
62:-
8
31205-286-158
SET BT.GEAR COVER, åtgår 2st
*
9
31206-286-158
O RING
120:-
9
31206-402-008
O-RING,60X1.4
137:-
10
31270-300-154
CORD,OIL PRESS.SW
*
11
31280-300-000
COVER,STARTER
*
12
31282-300-020
PACKING COVER
138:-
13
31283-300-000
GROMET,CORD
*
14
32411-230-000
COVER,TERMINAL
75:-
14
32411-253-000
COVER TERMINAL
75:-
15
35500-300-000
SWITCH,OIL
1125:-
15
35500-333-004
Denna artikel ersätts av 35500333014
15
35500-333-014
(37240-P13-013) SWITCH, OIL PRESSURE
970:-
15
37240-P13-013
SW ASSY, OIL PRESS
763:-
16
90545-300000
WASHER, OIL BOLT
47:-
17
91215-300003
OIL SEAL
101:-
18
91309-300000
Denna artikel ersätts av 91312MG7003
18
91309-425003
O-RING,24.4X3.1
110:-
18
91312-MG7003
O-RING,24.4X3.1
123:-
19
92000-0601202
BOLT, HEX., 6X12, åtgår 2st
26:-
19
92101-060120B
BOLT,HEX,6X12, åtgår 2st
26:-
20
93500-040050A
SCREW,PAN,4X5
10:-
20
93500-04006
SCREW, CROSS, 4X6
*
20
93500-040060A
SCREW,CROSS,4X6
15:-
20
93500-040061A
PAN,SCREW 4X6
15:-
21
94101-06200
WASHER,PLAIN 6MM, åtgår 2st
21:-
22
94111-04000
WASHER,SPG.,4MM
16:-
23
94111-06000
WASHER,SPRING,6MM, åtgår 2st
15:-
24
95700-06056
BOLT,FLANGE 6X56, åtgår 2st
*
24
95700-0605600
BOLT,FLANGE,6X56, åtgår 2st
*



* Kontakta kundtjänst för prisuppgift: 018-15 60 00