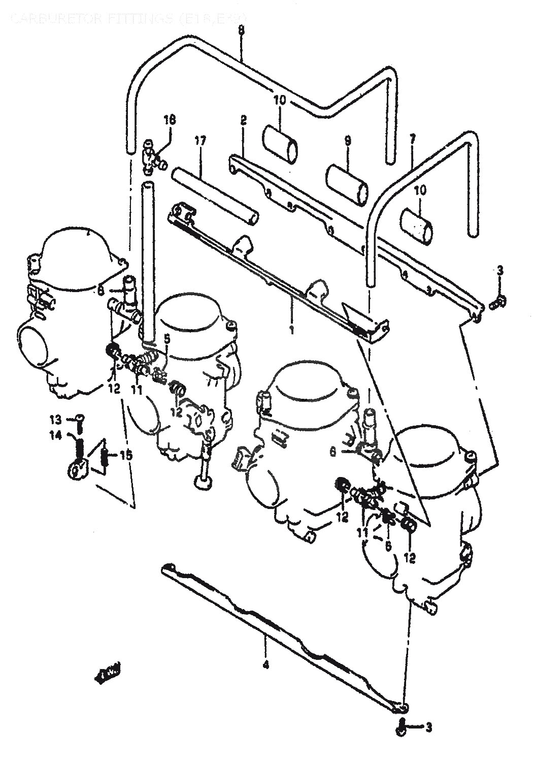
Suzuki » GSX-R1100 (GSX-R1100 1991 (M)) » CARBURETOR FITTINGS (E18,E39)

1
13413-20C00
LEVER
*
2
13628-17C10
PLATE
*
3
13602-05128
Denna artikel ersätts av 02112-05127
4
13628-17C00
PLATE
*
5
13439-17C00
HOLDER, åtgår 2st
208:-
6
13684-20C10
HOSE, åtgår 2st
115:-
7
13683-41C00
HOSE
*
8
13683-41C10
HOSE
*
9
13684-17C00
Denna artikel ersätts av 13684-43440
10
13684-17C10
HOSE, åtgår 2st
*
11
13685-44B00
NIPPLE, åtgår 2st
232:-
12
13673-44B00
SEAL, åtgår 4st
83:-
13
13267-44B00
SCREW, åtgår 3st
58:-
14
13271-44B00
SPRING, åtgår 3st
70:-
15
13268-17C10
SPRING, åtgår 3st
124:-
16
13685-48B00
NIPPLE
112:-
17
13687-17C00
HOSE (5*9*175)
*
13
08321-31086
Denna artikel ersätts av 08321-01087
14
13573-17C00
SPRING
*
15
13550-17C00
SHAFT ASSY
*
16
13550-17C10
SHAFT ASSY
*
17
13553-17C00
LEVER
*
18
13553-44B00
LEVER
*
19
13573-17C10
SPRING
*
20
13550-17C30
SHAFT ASSY
*
21
13556-44B00
SEAL, åtgår 6st
72:-
22
13557-47070
WASHER, åtgår 4st
72:-
23
13604-42A00
Denna artikel ersätts av 13604-44080
24
13551-17C00
VALVE, THROTTLE (125), åtgår 4st
*
25
13258-44B00
GASKET, FLOAT CHAMBER, åtgår 4st
137:-
26
09492-30010
JET, PILOT (30), åtgår 4st
298:-
27
09494-00638
JET, NEEDLE (O-8), åtgår 4st
698:-
27
09494-00639
JET, NEEDLE (0-9), åtgår 4st
*
28
13509-17C00
O RING, åtgår 4st
77:-
29
09491-24013
JET, MAIN (122.5), åtgår 4st
133:-
30
13247-38B00
Denna artikel ersätts av 13247-13A00
31
13250-40C00
FLOAT ASSY, åtgår 4st
*
32
13374-46710
O RING, åtgår 4st
39:-
33
13374-44080
Denna artikel ersätts av 13374-35C00
34
13602-34390
Denna artikel ersätts av 02112-75163
35
13602-05128
Denna artikel ersätts av 02112-05127
36
13508-17C00
CAP, åtgår 3st
97:-
37
13671-33600
Denna artikel ersätts av 13671-05A40
38
13550-17C20
SHAFT ASSY
*
39
13574-28A00
RING
*
40
13502-45B10
COVER, DIAPHRAGM, åtgår 4st
*
40
13502-41C20
COVER, DIAPHRAGM, åtgår 4st
*
41
13418-17C00
CAP, STARTER, åtgår 4st
88:-
42
13687-17C00
HOSE (5*9*175)
*
43
13267-28A00
Denna artikel ersätts av 13267-14D10
44
13268-43410
SPRING
*
45
13427-38300
WASHER
22:-
46
13418-17C10
HOLDER, åtgår 4st
232:-
47
13417-09110
SPRING, åtgår 4st
103:-
48
13411-05320
PLUNGER ASSY, åtgår 4st
199:-
49
09493-27002
JET, AIR (1.35), åtgår 4st
272:-
49
09493-26004
JET, AIR (1.3), åtgår 4st
273:-



* Kontakta kundtjänst för prisuppgift: 018-15 60 00