Suzuki
» GSX-R1100 (GSX-R1100 1991 (M))
* CATALOG PREFACE *
* COLOR CHART *
* CONVERSION CHART *
AIR CLEANER
ALTERNATOR
BATTERY
CAM CHAIN
CAM SHAFT / VALVE
CARBURETOR FITTINGS (E18,E39)
CARBURETOR FITTINGS (SEE NOTE)
CLUTCH
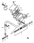
CLUTCH MASTER CYLINDER
CLUTCH MASTER CYLINDER (E18,E39E
COWLING BODY (MODEL M 3CG/05X)
COWLING BODY (MODEL M 3SL)
COWLING BODY (MODEL N)
COWLING FITTING SET
CRANKCASE
CRANKCASE COVER
CRANKSHAFT
CYLINDER
CYLINDER HEAD
CYLINDER HEAD COVER
ELECTRICAL
FOOTREST
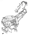
FRAME
FRAME COVER (MODEL N)
FRONT BRAKE HOSE
FRONT CALIPERS
FRONT DAMPER
FRONT FENDER
FRONT MASTER CYLINDER
FRONT WHEEL
FUEL COCK
FUEL TANK (MODEL N)
GEAR SHIFTING
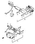
HANDLE SWITCH
HANDLEBAR
HEADLAMP (MODEL N)
MUFFLER
OIL COOLER
OIL PAN
OIL PUMP
OPTIONAL
REAR CALIPER
REAR CUSHION LEVER
REAR FENDER
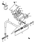
REAR MASTER CYLINDER
REAR SWINGING ARM
REAR WHEEL
SEAT
SECOND AIR (E18,E39)
SIGNAL GENERATOR
SPEEDOMETER
STAND
STARTER CLUTCH
STARTING MOTOR
STEERING DAMPER
STEERING STEM
TAIL LAMP - LICENSE LAMP
TRANSMISSION
TURNSIGNAL LAMP
WIRING HARNESS