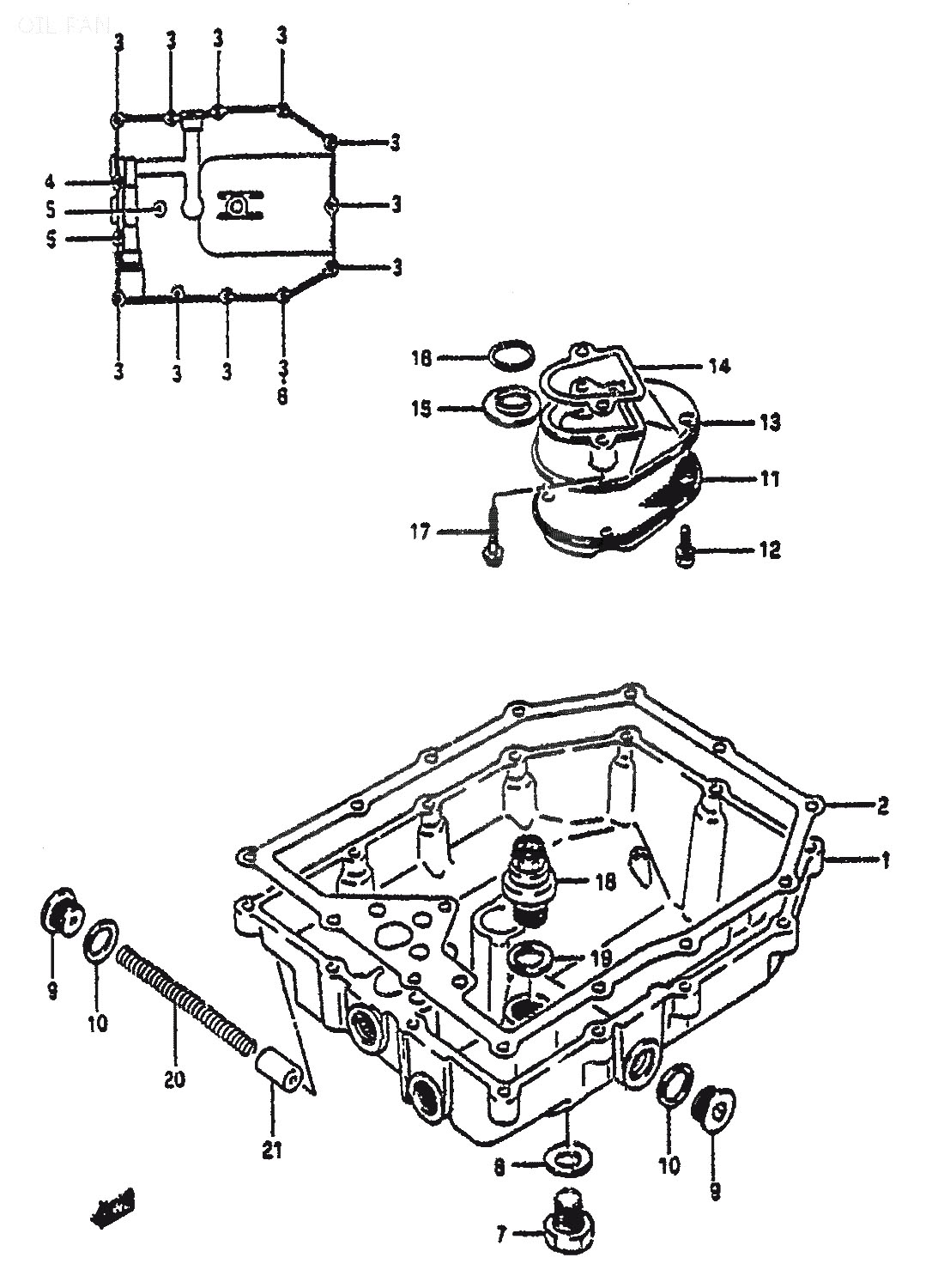
Suzuki » GSX-R1100 (GSX-R1100 1991 (M)) » OIL PAN

1
11511-17C02
PAN, OIL
2440:-
2
11489-27A10
Denna artikel ersätts av 11489-27A20
3
07110-06257
Denna artikel ersätts av 07130-06257
4
09106-06067
BOLT (6X55)
*
5
07110-06458
Denna artikel ersätts av 07130-06453
6
09168-06024
GASKET
28:-
7
09247-14001
Denna artikel ersätts av 09247-14002
8
09168-14004
GASKET (14.1X18X1.5) (M12MARK2,M15D,M12 2 PCSO.M10-152331)
37:-
9
09248-16010
Denna artikel ersätts av 09248-16012
10
09168-16002
GASKET (16X22X2.0), åtgår 2st
30:-
11
16520-17C00
STRAINER, ENGINE OIL
250:-
12
01137-06128
BOLT, åtgår 4st
*
13
16525-17C00
PROTECTOR, STRAINER
*
14
16528-27A10
Denna artikel ersätts av 16528-27A20
15
16529-27A01
GASKET, OIL OUTLET
38:-
16
09280-18009
O RING
119:-
17
01517-06257
Denna artikel ersätts av 01550-06257
18
16440-17C00
Denna artikel ersätts av 16440-17C01
19
09168-16002
GASKET (16X22X2.0)
30:-
20
09440-09027
SPRING
*
21
16442-34301
PLUNGER, OIL CONTROL
219:-



* Kontakta kundtjänst för prisuppgift: 018-15 60 00